How to Add a Machine Learning Access Control
Image Source:
BeeBright/Shutterstock.com
By Michael Parks for Mouser Electronics
Published May 27, 2021
Introduction
The past few years have seen a rapid evolution in machine-learning (ML) technologies. What once required the
computational horsepower of a beefy desktop computer can now be done comfortably on portable, battery-operated
hardware. Inferencing, the phase of the ML workflow in which real-world data is fed to a pre-trained neural
network model, can be performed in a highly efficient manner thanks to the combination of improved algorithms
and new, dedicated hardware.
Keyword spotting —think “Alexa, what time is it?” —is one such family of
problems that ML algorithms are quite adept at solving with relative ease (meaning not requiring significant
computer horsepower in terms of memory or processor speed). To highlight just what is possible with machine
learning and embedded systems, we’ve devised a proof-of-concept for a voice-controlled access control
device. First, a user will have to scan an radio-frequency identification (RFID) tag then speak a four-digit
access code. Do that correctly and a motor will activate, granting access to whatever you secrets you wish to
stash.
For the embedded hardware, this project will leverage the Maxim Integrated MAX78000 evaluation
kit (Figure 1), powered by an Arm® Cortex®-M4 processor.
The MAX78000 also contains a hardware-based convolutional neural network (CNN) accelerator. The MAX78000
empowers small, portable devices with the capability of handling ML inferencing algorithms while sipping only
microjoules of energy. MAX78000 also contains user-definable pushbuttons, TFT display, and a digital microphone
that we will leverage for this project.
Figure 1: Maxim Integrated's MAX78000 Evaluation Kit. (Source: Maxim
Integrated)
In addition, we will use a PN532 RFID tag
reader to add two-factor authentication to the project. The project will also incorporate a Trinamic TMC5130A motor
controller (Figure 2) and a stepper motor to provide a physical interaction with the
real-world, specifically simulating a lock mechanism. Both the RFID reader and motor controller will be
offloaded to an Arduino Nano, which in turn will interface with the MAX78000 EVKIT.
Figure 2: Trinamic's TMC5130A Motor Controller Breakout Board. (Source:
Trinamic)
Bill of Material (BOM)
You can click this Mouser
project share link to access the bill of materials (BOM) along with the current pricing. Table
1 lists the items in the BOM.
Table 1: Machine Learning Access Control Project Bill of Materials
|
Quantity
|
Mouser P/N
|
Description
|
|
1
|
700-MAX78000EVKIT
|
Development Boards & Kits - ARM MAX78000 EVALUATION BOARD
|
|
1
|
700-TMC5130A-BOB
|
Power Management IC Development Tools Breakout board for TMC5130A-LA
|
|
1
|
485-324
|
Stepper Motor
|
|
1
|
485-364
|
RFID Reader
|
|
1
|
782-ABX00033
|
Arduino Nano Every with Headers
|
|
1
|
563-BB-32621
|
Breadboard
|
|
1
|
854-ZW-MM-10
|
Jumper Wires
|
Resources
All source files for this project are located on Mouser's GitHub Repository. The repository is divided into two
main folders including:
Documentation
The Documentation> folder contains graphic files of schematics and other important reference
materials.
Software
The Software> folder contains the source code, grouped into major folders:
MAX7800EVKIT: Contains the source code that runs the convolution neural network, listens for
the keywords
via the onboard microphone, and drives the TFT display.
Arduino Uno: Contains the source code to manage the PN532 RFID tag reader and the TMC5130A
motor controller.
More details about these source code files can be found in the Software section below.
Tools
This project assumes that you have access to the following tools:
- Windows 10-based computer with a high-speed Internet connection
- Digital Multimeter
- Soldering Iron
- 12VDC Power Supply
Building the Project
In this section, we will examine the necessary steps to get your project up and running. The section is broken
down into the following subsections:
- Hardware Setup
- Setting up the Software Development Toolchain
- Software Development
- Project in Action
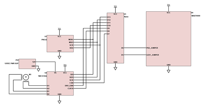
Figure 3 is the project’s wiring diagram.
Figure 3: Wiring diagram for the project components. (Source: Mouser)
Hardware Setup
The hardware setup for this project will require a small amount soldering of through hole components. A digital
multimeter is also recommended in order to verify continuity and to ensure proper voltages. First, let’s
begin with the Arduino Nano.
Arduino Nano
- Solder the headers to the circuit board, if needed.
- Place the Nano on the breadboard so that the micro-USB connector faces to the edge of the breadboard.
TMC5130A Breakout Board
- Solder female headers to each side of the TMC5130A
breakout board.
- Wire the TMC5130A to the Arduino Nano as follows:
- SDI to MOSI (D11)
- SDO to MISO (D12)
- SCK to SCK (D13)
- CSN to SS (D7)
- GND to GND
- 5V to 5V
- DRV_ENN to D9
- CLK16 to D8
- Connect TMC5130A to a 12VDC power supply
- VS to the positive terminal of the power supply
- GND to the negative terminal of the power supply
- Wire the stepper motor to the TMC5130A as follows:
- Red wire to A1
- Blue wire to A2
- Green wire to B1
- Black wire to B2
NOTE: The color of the wires for your particular stepper motor can vary. Check the documentation
to ensure phase A and phase B winding are connected correctly.
PN532 RFID Reader
- Solder the headers to the PN532 circuit board, if needed.
- Wire the PN532 to the Arduino Nano as follows:
- MOSI to MOSI (D11)
- MISO to MISO (D12)
- SCK to SCK (D13)
- NSS to SS (D10)
- GND to GND
- 5V to 5V
NOTE: The language used by many communications protocols is evolving. Serial Peripheral
Interface (SPI) is one such protocol. MISO (Master In Slave Out), MOSI (Master Out Slave In), and SS (Slave
Select) have given way to SDO (Serial Data Out), SDI (Serial Data In) and CS (Chip Select) for single-role
hardware. MISO and MOSI has also been replaced by CIPO (Controller In, Peripheral Out) and COPI (Controller Out,
Peripheral In) when connected devices can serve in either role. You will likely encounter both the new and old
phraseology for some time. Be sure to check all component documentation to ensure wiring connections are made
correctly.
MAX78000 EVKIT Board
- Connect the Arduino Nano GND pin to the GND pin of the MAX78000 EVKIT Board.
- Connect the Arduino Nano pin D6 to PB2 jumper on the MAX78000 EVKIT Board.
- Connect the Arduino Nano pin D5 to the LED1 jumper on the MAX78000 EVKIT Board.
Setting up the Software Development Toolchain
To develop the MAX78000 firmware for this project, we will be using the Maxim Micros SDK (Figure
4) based upon the Eclipse Software Development Kit (SDK). The software requires a Windows 10
computer and is a free download here. For
the Arduino Nano portion of the project, we will be using the Arduino IDE, available for free from here.
Figure 4: The Maxim Micros SDK, based on Eclipse development environment.
(Source: Maxim Integrated)
To program the MAX78000 EVKIT, the following connections need to be made between the development board and a
Windows 10-based computer:
- Plug a micro-USB cable into the micro-USB port labeled USB PWR along the top of the MAX78000 EVKIT.
- Plug a ribbon cable into the MAX32625 PICO programming adapter.
- Plug the opposite end of the ribbon cable into the SWD port (JH4) onboard the MAX78000 EVKIT development
board.
- Plug a micro-USB cable into the MAX32625 PICO programming adapter.
- Plug the opposite ends of both USB cables into a computer.
- Toggle the power switch (labeled PWR) along the top of the MAX78000 EVKIT development board from the OFF
position to the ON position.
Although the MAX78000 firmware contains all the needed libraries in a self-contained project, it will be
necessary to add external libraries to control the PN532 RFID reader and the TMC5130A stepper motor controller.
The first library, the PN532 library, can be found in the native Library Manager (Figure 5) of
the Arduino IDE. This can be accessed from the toolbar, simply navigate Sketch > Include Library > Manager
Libraries. Then search for the keyword PN532. Select the PN532 library from the search results and then
click
Install.
Figure 5: Adding third-party software libraries via the Library Manager.
(Source: Green Shoe Garage)
The second library required to command the stepper motor controller must be downloaded and installed manually.
First, ensure you have Git installed on your computer and then open a command prompt (Figure
6). Issue the following command:
>git clone https://github.com/mikest/Estee_TMC5130
Figure 6: Installing the TMC5130A library via Git. (Source: Green Shoe
Garage)
Next, use a Zip utility to create a .zip file containing the entire Estee_TMC5130 folder. Next, from within the
Arduino IDE navigate to Sketch > Include Library > Add .ZIP Library. Select the recently
created
Estee_TMC5130.zip file and click OK.
Software Development
The codebase for this project is written in C. It consists of two major components. First is the firmware that
runs on the MAX78000 and controls the ML inferencing, drives the TFT display, and listens for keywords using the
microphone. The second is the firmware that runs on the Arduino to control the PN532 RFID reader and TMC5130A
motor controller.
Key Files
cMAX78000/main.c: Contains the core functionality of the user-facing features. This includes
handling the
microphone input, driving the TFT display, and logic that drives detection of the correct spoken passcode.
cMAX78000/cnn.c and cnn.h: Contains the ML model, optimized for MAX78000 hardware,
to detect the various
spoken keywords.
cNano_FW/ ino: This file contains the main logic to handle the RFID reader and the motor
controller.
cNano_FW/TMC5130_registers.h: Contains the various device register addresses for the TMC5130A.
Knowing the
correct addresses allows the development to interact with and control the stepper motor.
Key Variables and Constants
You might want to tweak a few variables depending on your particular design choices. These variables and can be
found in MAX78000/main.c:
static enum { LOCKED, THREE_MORE, TWO_MORE, ONE_MORE, UNLOCKED } state = LOCKED;
The state enumerated data type institutes a very simple state machine that allows the device to track the
status of the device. It begins in a LOCKED state, then once the first digit of the passcode is
spoken it
progresses to the next state. This continues for each subsequent passcode digit until all four have been
spoken correctly. The last state is the UNLOCKED state. Once the device enters this state, the motor is
triggered.
const char keywords[NUM_OUTPUTS][10] = { "UP", "DOWN", "LEFT", "RIGHT", "STOP", "GO", "YES", "NO", "ON",
"OFF", "ONE", "TWO", "THREE", "FOUR", "FIVE", "SIX", "SEVEN", "EIGHT", "NINE", "ZERO", "Unknown"};
This array contains the text of the various keywords the CNN has been trained to detect. Each keyword is
assigned an integer as an index into the array. Table 2 outlines the relationship between
the keyword and index value.
Table 2: Spoken Keyword to Array Index Crosswalk
|
KEYWORD
|
INDEX
|
KEYWORD
|
INDEX
|
|
UP
|
0
|
ONE
|
10
|
|
DOWN
|
1
|
TWO
|
11
|
|
LEFT
|
2
|
THREE
|
12
|
|
RIGHT
|
3
|
FOUR
|
13
|
|
STOP
|
4
|
FIVE
|
14
|
|
GO
|
5
|
SIX
|
15
|
|
YES
|
6
|
SEVEN
|
16
|
|
NO
|
7
|
EIGHT
|
17
|
|
ON
|
8
|
NINE
|
18
|
|
OFF
|
9
|
ZERO
|
19
|
| |
|
UNKNOWN
|
20
|
These following variables are found in the file named MAX78000_AccessControl_NanoFW.ino and can be
edited to suit
your specific components and project requirements.
uint32_t approved_rfid_tag = 2165834: This is the identification number that is associated with
the RFID
tag. This will need to be modified for your particular RFID tag.
Setting a Custom Passcode
To set a custom passcode, a switch statement is located in the MAX78000/main.c file. To alter the
passcode (the
default is set to 1-2-3-4), the first four switch cases must be altered (Figure 7).
Figure 7: The original code that defines how the spoken passcode is
detected. (Source: Green Shoe Garage)
Let’s look at what it takes to change the first digit of the passcode from a ”1” to a
“9”. Look at the case labeled LOCKED (case LOCKED:). It contains an if statement which
compares a variable named out_class to an integer value. That integer value is related to
the values
found in Table 2. The variable out_class is set by the machine-learning algorithm
based on
which spoken keyword was probably spoken by the user. Looking in Table 2, we see that the
spoken keyword “1” is assigned an index value of 10. Furthermore, the spoken keyword “9”
is assigned to index value 18. So to change the pin from “1-2-3-4” to “9-2-3-4”, the
out_class value that the if statement checks for in the LOCKED case must be changed from 10 to 18. The revised
code appears in Figure 8.
Figure 8: Changing the pin from 1-2-3-4 to 9-2-3-4 revises the code.
(Source: Green Shoe Garage)
Project in Action
The program flow is as follows:
- User swipes an RFID tag across the PN532 RFID reader.
- RFID tag information is transmitted to the Arduino Nano via SPI.
- The RFID tag information is compared to an authorized RFID tags.
- If an authorized a tag is detected, the MAX78000 is triggered to begin listening for the spoken, four-digit
passcode.
- Wait for LED2 to turn RED.
- Once the passcode is spoken correctly, the MAX78000 sends a signal back to the Arduino Nano. For this
project, we will be using the super-secret passcode of “1-2-3-4”.
- The Nano communicates to the TMC5130A, via SPI, to engage the stepper motor.
Figure 9: Project in action; command line window with active board.
Author Bio
Michael Parks, P.E.
is a contributing writer for Mouser Electronics and the owner of Green Shoe Garage, a custom electronics design
studio and technology consultancy located in Southern Maryland. He produces the S.T.E.A.M. Power Podcast to help
raise public awareness of technical and scientific matters. Michael is also a licensed Professional Engineer in
the state of Maryland and holds a Master's degree in systems engineering from Johns Hopkins University.