ABLIC S-82K5A Battery Monitoring IC
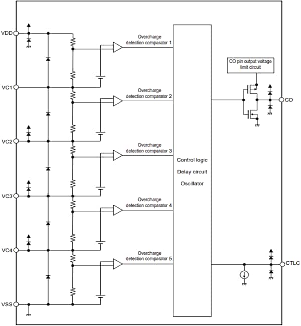
ABLIC S-82K5A Battery Monitoring IC is designed for 3-serial to 5-serial cell pack secondary protection of lithium-ion rechargeable batteries. This battery protection IC incorporates high-accuracy voltage detection circuits and delay circuits in a small 8-pin package. The S-82K5A battery protection IC features a 28V absolute maximum high withstand voltage, a 3.6V to 24V wide operating voltage range, and 3µA low current consumption. This IC cascade connection helps to protect 6-serial or more cells lithium-ion rechargeable battery packs. The S-82K5A battery protection IC is lead- and halogen-free and operates at a -40°C to 85°C temperature range.Features
- High-accuracy voltage detection circuit for each cell:
- Overcharge detection voltage:
- 3.500V to 4.7V (5mV steps)
- ±20mV (Ta = +25°C) accuracy
- ±25mV (Ta = -10°C to +60°C) accuracy
- Overcharge release voltage:
- 3.1V to 4.7V
- ±50mV accuracy
- Overcharge detection voltage:
- Delay times are generated only by an internal circuit (external capacitors are unnecessary) (1s, 2s, 4s, 6s, and 8s overcharge detection delay time)
- 3.6V to 24V wide operating voltage range
- 28V absolute maximum high withstand voltage
- CO pin output voltage is limited to 7.5V maximum
- 3µA maximum during operation (3.4V for each cell)
- Output control function via CTL pin (CTL pin is pulled down internally)
- Overcharge timer reset function (available and unavailable)
- -40°C to +85°C wide operating temperature range
- Lead-free (Sn 100%) and halogen-free
Block Diagram
Dimension Diagram
Publicado: 2025-06-05
| Actualizado: 2025-06-12
