Amphenol Rochester Sensors S286 Capacitance Oil Level Switches
Amphenol Rochester Sensors S286 Capacitance Oil Level Switches are active devices designed to give an alarm signal if oil falls below or rises above a preset level. It can be specified with a delay to eliminate false alarms due to turbulence. Containing a factory-programmable microprocessor, the switch offers sink-to-ground, source-voltage, or both outputs on separate pins.
The Amphenol Rochester Sensors S286 Capacitance Oil Level Switches have a small footprint, limited intrusion into the tank, which reduces the risk of damage, and a wide range of customer-specifiable options, making it suitable for many applications.
Features
- Capacitance-type oil switches are solid-state, so no moving parts to stick or jam
- Protects engines from damage due to a lack of oil
- Designed, developed, tested, and approved for use in highly demanding OEM applications
Applications
- Engine oil level protection (detects low or high oil levels to prevent engine damage)
- Commercial vehicles and heavy equipment (compact design with minimal intrusion into the sump or tank)
- Industrial engines and compressors (reliable oil level monitoring for critical machinery)
- Generator sets (oil level alarms for engine protection and shutdown systems)
- OEM engine protection systems (programmable outputs for integration into control electronics)
Additional Resources
Typical Application
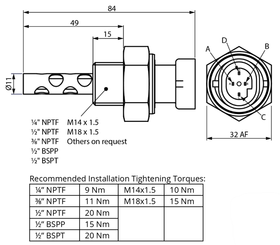
Dimensions
Publicado: 2026-02-06
| Actualizado: 2026-03-11
