Analog Devices / Maxim Integrated MAX20019/20 Dual Step-Down Converters

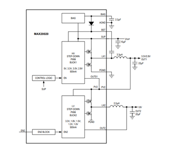
Analog Devices MAX20019/20 Dual Step-Down Converters are 2.2MHz and 3.2MHz with integrated high-side and low-side MOSFETs for automotive cameras. The high-voltage step-down converter is designed for continuous operation up to 17V input voltages. The device has a factory-preset output voltage. Buck 1 is preset to 3.3V, 3.0V, or 2.8V. Buck 2 is preset to 1.8V, 1.5V, 1.2V, or 1V. Another option is Buck 1 preset to 5V and Buck 2 preset to 3.3V.

The low-voltage buck offers a fixed-frequency PWM- mode operation with a switching frequency of 2.2MHz or 3.2MHz. The high-frequency operation allows for an all-ceramic capacitor design and small-size external components. The low-resistance on-chip switches ensure high efficiency while minimizing critical inductance.

The MAX20019 features a 500mV enable hysteresis, allowing the use of long, low-cost coax cables, even during slow startup situations. The MAX20020’s Buck 1 starts after VSUP exceeds 5.5V, and the EN input drives Buck 1. Protection features for the Analog Devices Inc. MAX20019/20 Dual Step-Down Converters include overvoltage (OV) protection, cycle-by-cycle current limit, and thermal shutdown with automatic recovery. The buck converters operate 180° out-of-phase from each other to minimize input-current ripple.

Features

  • Small solution size
    • 2mm x 3mm x 0.75mm 10-pin TDFN with an exposed pad
    • 2.2MHz and 3.2MHz operation allows smaller system size
    • No external components needed for soft-start
  • Cable flexibility
    • 500mV enable hysteresis allows for long, low-cost cables during slow starts
  • EMI solutions
    • optional spread-spectrum frequency modulation
    • Pinout placement allows for tight PCB layout of switching nodes
  • Self-protected
    • Overvoltage protection
    • Thermal shutdown
    • Short-circuit protection
  • Automotive ready
    • Wide 3.5V to 17V input voltage range for power-over-coax
    • Automotive temperature range -40°C to +125°C
    • AEC-Q100 qualified

Applications

  • Surround-view camera power supplies
  • Automotive point-of-load

Functional Diagrams

Publicado: 2019-11-04 | Actualizado: 2025-08-07