Broadcom ACPL-K305T Automotive Photovoltaic Drivers
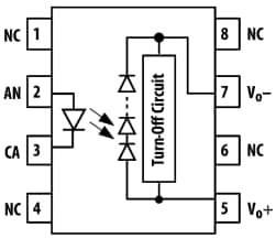
Broadcom ACPL-K305T Automotive Photovoltaic Drivers with R2Coupler™ isolation are designed to drive high-voltage MOSFETs and/or IGBTs. These drivers provide reinforced insulation and reliability that deliver safe signal isolation critical in automotive and high-temperature industrial applications. The ACPL-K305T drivers consist of an AlGaAs infrared LED input stage optically coupled to an output detector circuit. The detector consists of a photovoltaic diode array and a turn-off circuit. The photovoltaic driver is turned on with a minimum input current of 3mA through the input LED. The MOSFET driver is turned off with an input voltage of 0.6V or less. The ACPL-K305T drivers are used in applications like solid-state relays, high-side power switch control, battery management systems, and precharge/active discharge circuits in high-voltage systems.Features
- R2Coupler™ isolation
- Qualified to AEC-Q100 test guidelines
- -40°C to 125°C automotive temperature range
- Drive external power MOSFET/IGBT without isolated secondary supply
- 3mA low IF drive
- 7.1V open-circuit voltage (typical) at IF = 10mA
- 59μA short-circuit current (typical) at IF = 10mA
- Fast switching speed for IF = 10mA, CL = 1nF
- 0.07ms turn-on time (typical)
- 0.02ms turn-off time (typical)
- Regulatory approvals:
- UL/cUL 1577 5kVRMS for 1 minute
- IEC/EN 60747-5-5 VIORM = 1260VPEAK
Applications
- Solid-state relay
- Precharge/active discharge circuit in high voltage system
- High-side power switch control
- Battery management system
Functional Diagram
Typical Application Circuit
Publicado: 2025-02-19
| Actualizado: 2025-03-25
