Infineon Technologies EVAL-M7-HVMOS-INV iMOTION™ MADK Power Board
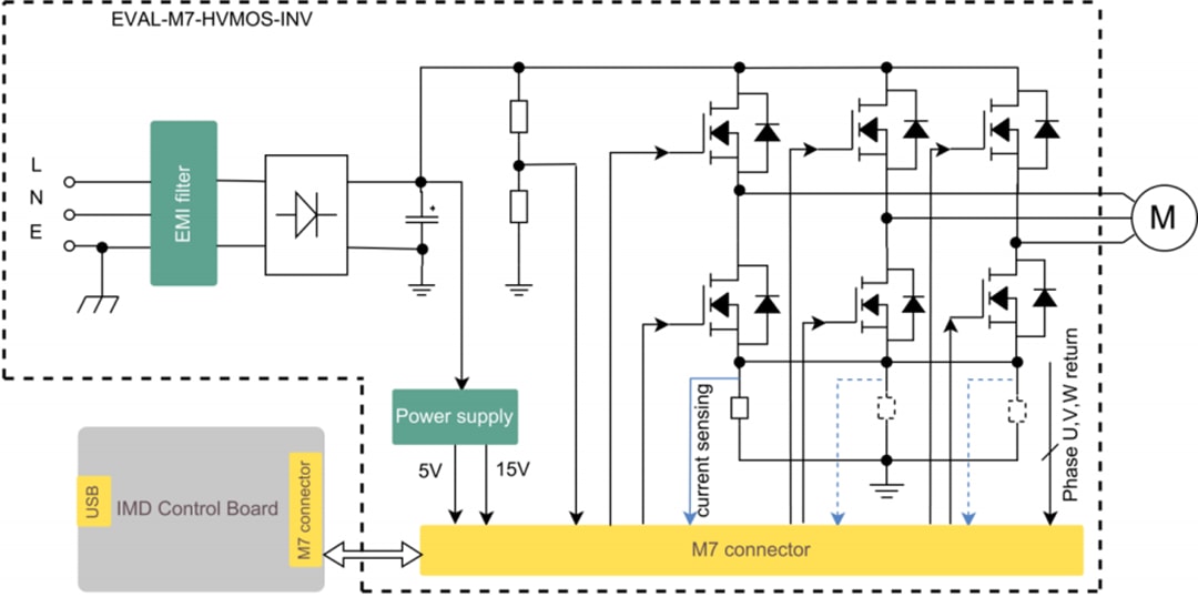
Infineon Technologies EVAL-M7-HVMOS-INV iMOTION™ MADK Power Board is a power stage evaluation board for the iMOTION™ Modular Application Design Kit (MADK) platform. It implements a three-phase inverter based on the IPN60R600PFD7S 600V CoolMOS™ PFD7 Superjunction MOSFET.Infineon Technologies EVAL-M7-HVMOS-INV Power Board, used in conjunction with an iMOTION™ MADK Control Board, enables rapid prototyping of various 3-phase inverter options, scalable in power ratings and operating voltages.
The EVAL-M7-HVIGBT-INV Power Board is suitable for driving fans, pumps, and compressors. The Power Board provides output power up to 300W when the carrier frequency is 16kHz with an external heatsink.
Features
- Demonstrates the IPN60R600PFD7S 600V CoolMOS PFD7 Superjunction MOSFET
- Ready to use power stage to drive 3-phase motor
- Nominal input voltage 220VAC
- Maximum 300W output power without cooling
- Onboard EMI filter
- Single-shunt or leg-shunt current feedback configuration options
- Test pads with hooks to attach standard oscilloscope probes
- Standard MADK M7 32-pin interface connector
- 96mm x 103mm 2-layer PCB
Board Layout
Block Diagram
Setup Example
Publicado: 2021-07-27
| Actualizado: 2022-03-11
