STMicroelectronics STGIPQ4C60T-HZ SLLIMM nano IGBTs

STMicroelectronics STGIPQ4C60T-HZ SLLIMM nano IGBTs provide a compact, high-performance AC motor drive in a simple, rugged design. The STGIPQ4C60T-HZ IGBTs are composed of six improved short-circuit rugged trench gate field stop IGBTs with freewheeling diodes and three half-bridge HVICs for gate driving. This provides low electromagnetic interference (EMI) characteristics with optimized switching speed.

The STM STGIPQ4C60T-HZ SLLIMM nano IGBTs package is designed to allow a better and more easily screwed-on heat sink and optimize thermal performance and compactness in built-in motor applications or other low power applications where assembly space is limited. The IPM includes a completely neutral operational amplifier and a comparator that can be used to design a fast and efficient protection circuit.

Features

  • IPM 6A, 600V, 3-phase IGBT inverter bridge including 3 control ICs for gate driving and freewheeling diodes
  • 3.3V, 5V, 15V TTL/CMOS input comparators with hysteresis and pull-down/pull-up resistors
  • Internal bootstrap diode
  • Optimized for low electromagnetic interference
  • Undervoltage lockout
  • Short-circuit rugged TFS IGBT
  • Shutdown function
  • Interlocking function
  • Op-amp for advanced current sensing
  • Comparator for fault protection against overcurrent
  • Isolation ratings of 1500Vrms/min
  • NTC (UL 1434 CA 2 and 4)
  • Up to ±2kV ESD protection (HBM C = 100pF, R = 1.5kΩ)
  • UL recognition: UL 1557, file E81734

Applications

  • 3-phase inverters for motor drives
  • Dish washers
  • Washing machines
  • Refrigerator compressors
  • Fans

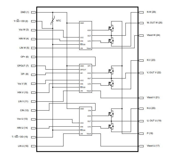
Internal schematic diagram

Schematic - STMicroelectronics STGIPQ4C60T-HZ SLLIMM nano IGBTs
Publicado: 2021-03-08 | Actualizado: 2022-03-11