STMicroelectronics PM8805 IEEE 802.3bt PoE-PD Interface
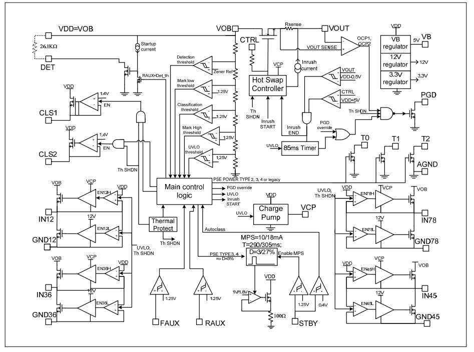
STMicroelectronics PM8805 IEEE 802.3bt PoE-PD Interface is a system-in-package for smart power supplies, and it is applicable for power levels up to 99.9W. The PM8805 embeds two active bridges and driving circuitry, a charge pump to drive the high-side MOSFETs, the hot swap MOSFET, and the interface compliant with IEEE 802.3bt. Performing the physical layer classification, the PM8805 indicates successful PSE-type identification. The device identifies which kind of PSE (standard or legacy) is connected and provides a successful IEEE802.3bt/at/af classification indication as a combination of the T0, T1, and T2 signals (open drain).The PM8805 offers a power supply from either from the Ethernet cable or from an external power source such as a wall adapter, with a possible prevalence of the auxiliary source with respect to the PoE. The PM8805 is targeted to build the interface section of PoE switch mode power supplies, allowing the highest conversion efficiency. The device provides a PGD signal that can be used to enable a PWM controller, a DC-DC converter or an LED driver.
Features
- Dual active bridge, hot swap MOSFETand PoE-PD interface in a system-in-package
- 100V, 0.1Ω high-side N-ch hot swap MOSFET
- PoE-PD single-signature interface compliant with IEEE 802.3bt/at/af
- Supports 4-pair PoE applications
- Supports 12V auxiliary sources
- Identifies which kind of PSE (standard or legacy) is connected with and provides successful IEEE802.3bt/at/af classification indication as a combination of the T0, T1 and T2 signals (open drain)
- Smart operational modes
- 100V N-ch MOSFETs with 0.2Ω total path resistance for each active bridge
- Programmable classification current with 3.3ms delay.
- Optional Autoclass feature
- Advanced energy-saving MPS timings
- Two-step hot swap current protection: DC with 1ms delay and short-circuit with 10us delay.
- Controlled pre-charge of the output capacitor
- PGD signal (open drain) to enable an external PWM controller.
- Thermal shutdown protection
Applications
- High power wireless data systems
- Security cameras
- Access points
- Public information displays
- PoE lighting systems
Block Diagram
Brochure
Publicado: 2019-02-14
| Actualizado: 2024-01-26
