Texas Instruments OPA2810 Rail-to-Rail I/O FET Op Amps
Texas Instruments OPA2810 High-Performance Rail-to-Rail Input/Output Operational Amplifiers offer a dual-channel, voltage-feedback amp including a low input bias current. The device is unity-gain stable with a small-signal unity-gain bandwidth of 105MHz. The OPA2810 ideal DC precision and dynamic AC performance at a low quiescent current (IQ) of 3.6mA per channel (typical). Using TI's proprietary, high-speed SiGe BiCMOS process, the device achieves significant performance gains than previous versions. The OPA2810 is an excellent choice for use in a wide range of high-fidelity data acquisition and signal processing applications. Features include a gain-bandwidth product (GBWP) of 70MHz, a slew rate of 192V/µs, and a voltage low-noise of 6nV/√Hz. A wide supply range of 4.75V to 27V is available on the device with rail-to-rail inputs and outputs. The OPA2810 delivers 75mA of linear output current, making it capable of driving optoelectronics components and analog-to-digital converter (ADC) inputs or buffering DAC outputs into heavy loads.Features
- 70MHz Gain-bandwidth product
- 105MHz Small-signal bandwidth
- 192V/µs Slew rate
- 4.75V to 27V Wide supply range
- Low noise:
- 6nV/√Hz (f=500kHz) Input voltage noise
- =5fA/√Hz (f=10kHz) Input current noise
- Rail-to-rail input and output:
- FET Input stage of 2pA input bias current (Typical)
- 75mA High linear output current
- ±1.5mV (Maximum) Input offset
- ±2µV/°C (Typical) Offset drift
- 3.6mA/Channel low power
- –40°C to +125°C Extended temperature operation
Applications
- Wideband photodiode transimpedance amplifiers
- High-Z front-ends
- Impedance measurements
- Power analyzers
- Multichannel sensor interface
- Level shifting and buffering
- Optoelectronic drivers
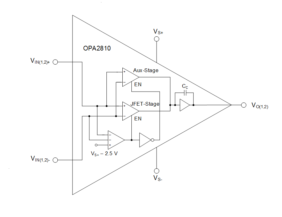
Block Diagram
Publicado: 2018-08-02
| Actualizado: 2024-02-26
