Texas Instruments SN74ACT165/-Q1 Shift Registers
Texas Instruments SN74ACT165/-Q1 Shift Registers offer asynchronous parallel input loading within eight shift registers. The device features serial data input for daisy-chaining. The shift registers include clock inhibit and inverted output pins, allowing for system design flexibility.
The TI SN74ACT165/SN74ACT165-Q1 Registers are ideal for increasing the number of inputs on a microcontroller and in board revision.
The SN74ACT165-Q1 devices are AEC-Q100 qualified for automotive applications.
Features
- AEC-Q1 00 qualified for automotive applications:
- Device temperature grade 1: -40°C to +125°C
- Device HBM ESD classification level 2
- Device CDM ESD classification level C4B
- Available in a wettable flank QFN package
- Operating voltage range of 4.5V to 5.5V
- TTL-compatible inputs
- Continuous ±24mA output drive at 5V
- Supports up to ±75mA output drive at 5V in short bursts
- Drives 50Q transmission lines
- Fast operation with a delay of 12.4ns max at 5V
Applications
- Increase the number of inputs on a microcontroller
- Read in board revision
Datasheets
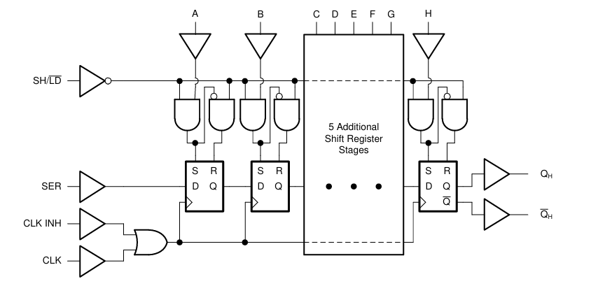
Functional Block Diagram
Publicado: 2026-01-12
| Actualizado: 2026-01-20
