Texas Instruments SN74HCS595/SN74HCS595-Q1 8-Bit Shift Register

Texas Instruments SN74HCS595/SN74HCS595-Q1 Automotive 8-Bit Shift Register is a device that contains an 8-bit, serial-in, parallel-out shift register. The register feeds an 8-bit D-type storage register. All inputs include Schmitt triggers, eliminating any erroneous data outputs due to slow-edged or noisy input signals. The storage register has parallel 3-state outputs. Separate clocks are provided for both the shift and storage register. The Texas Instruments SN74HCS595-Q1 devices are AEC-Q100 qualified for automotive applications.

Features

  • Wide operating voltage range: 2V to 6V
  • Schmitt-trigger inputs allow for slow or noisy input signals
  • ±7.8mA output drive at 5V
  • Low power consumption
    • Typical ICC of 100nA
    • Typical input leakage current of ±100nA

Applications

  • Output expansion
  • LED matrix control
  • 7-segment display control
  • 8-bit data storage

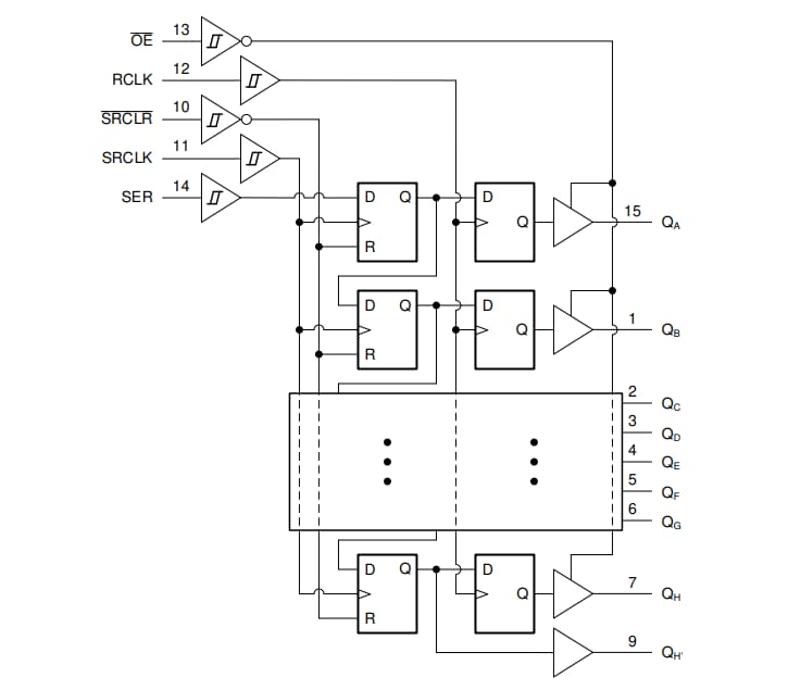
Block Diagram

Block Diagram - Texas Instruments SN74HCS595/SN74HCS595-Q1 8-Bit Shift Register
Publicado: 2019-12-23 | Actualizado: 2024-02-13