Toshiba DCLx & DCMx Dual/Quad Channel Digital Isolators
Toshiba DCLx and DCMx Dual/Quad Channel Digital Isolators are high-speed, high-output isolation components designed using advanced CMOS technology and magnetic coupling structures. The isolators supply robust insulation between the primary and secondary sides, delivering excellent performance for multi-channel, high-speed communication applications, such as SPI interfaces, industrial automation, and automotive systems.
Features
- High-speed data rate
- DCLx up to 150Mbps
- DCMx up to 50Mbps
- Supply voltage range
- DCLx at 2.25V to 5.5V
- DCMx at 3.3V or 5V
- 5000VRMS isolation voltage
- 10.9ns typical (DCLx at 5V) propagation delay
- High and low default output configurations
- High CMTI at ±100kV/μs (DCLx)
- 0.8ns typical (DCLx) low pulse width distortion
- Output current of ±15mA maximum
- 50Ω typical output impedance
- ±10μA input current
- 16-pin wide-body SOIC package
- Temperature ranges
- -40°C to +110°C ambient
- -40°C to +150°C junction
- Automotive qualification of AEC-Q100 Grade 1 (DCMx series)
Applications
- Industrial automation systems
- Motor control
- Switching power supplies
- Battery control in automotive equipment
- Inverters
- Fuel cell control in automotive equipment
- Electric vehicle applications
- Data converter isolation (SPI, etc.)
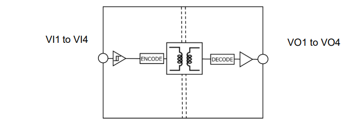
Block Diagram
View Results ( 12 ) Page
| N.º de artículo | Hoja de datos | Corriente de suministro operativa | Adelantar canales |
|---|---|---|---|
| DCM340C01(AS,EL) | ![]() |
19.6 mA | 4 Channel |
| DCM340D01(AS,EL) | ![]() |
19.6 mA | 4 Channel |
| DCM340H01(AS,EL) | ![]() |
19.6 mA | 4 Channel |
| DCM340L01(AS,EL) | ![]() |
19.6 mA | 4 Channel |
| DCM341A01(AS,EL) | ![]() |
16.6 mA | 3 Channel |
| DCM341B01(AS,EL) | ![]() |
16.6 mA | 3 Channel |
| DCM341H01(AS,EL) | ![]() |
16.6 mA | 3 Channel |
| DCM341L01(AS,EL) | ![]() |
16.6 mA | 3 Channel |
| DCM342H01(AS,EL) | ![]() |
13.4 mA | 2 Channel |
| DCM342L01(AS,EL) | ![]() |
13.4 mA | 2 Channel |
Publicado: 2025-03-11
| Actualizado: 2026-04-24

