onsemi NTTFS007P02P8 P-Channel Low/Medium Voltage MOSFET
onsemi NTTFS007P02P8 P-Channel Low/Medium Voltage MOSFET is built using high-performance PowerTrench technology for extremely low RDS(on) switching performance and ruggedness. This P-channel MOSFET offers high power and current-handling capabilities in a widely used surface-mount package. The NTTFS007P02P8 MOSFET features -20V drain to source voltage, ±8V gate to source voltage, 3.8°C/W thermal resistance, junction to case, and 4.5Ω gate resistance. This P-channel MOSFET is Pb-free, Halide-free, and RoHS compliant. Typical applications include load switch, battery management, power management, and reverse polarity protection.Features
- Maximum RDS(on) = 6.5mΩ at VGS = -4.5V, ID = -14A
- Maximum RDS(on) = 9.8mΩ at VGS = -2.5V, ID = -11A
- Maximum RDS(on) = 20mΩ at VGS = -1.8V, ID = -9A
- High-performance Trench technology for extremely low RDS(on)
- High power and current handling capability in a widely used surface mount package
- Pb−free and Halide-free
- RoHS compliant
Applications
- Load switch
- Battery management
- Power management
- Reverse polarity protection
Specifications
- -20V drain to source voltage
- ±8V gate to source voltage
- 3.8°C/W thermal resistance, junction to case
- 4.5Ω gate resistance
- -55°C to 150°C operating and storage temperature range
Typical Performance Characteristics
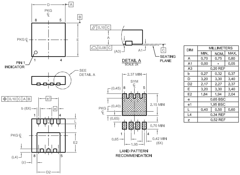
Dimensions
Publicado: 2025-11-19
| Actualizado: 2025-11-27
